[注册]
[登录]
我的订单
新的个人中心
会员中心
我的订单
个人资料
收货地址
开票资料
我的收藏
帮助中心
购物流程
发票制度
配送方式
支付方式
退换流程
全部商品
推荐商品
电缆接头
可调节手柄
扭矩铰链
所有商品分类
铰链
可拆卸铰链
扭矩铰链
平衡铰链
普通铰链
弹簧铰链
电控铰链
定位铰链
隐藏式铰链
阻尼铰链
附件
塑料紧固件
塑料螺母
衬套
塑料垫圈
固定件
塑料螺钉
装配扣钉
轴套
铆钉
电路板隔离柱
推入式隔离柱
反扣式隔离柱
专用隔离柱
间隔柱
螺纹间隔柱
紧定手柄
杠杆手柄
固定手柄
可调节手柄
旋转手柄
分度定位件
分度销
锁销
弹簧销
附件
紧固旋钮
滚花旋钮
机翼旋钮
星型旋钮
支撑脚
水平调整脚
脚垫
电缆接头及配件
电缆接头
电缆接头配件
工业用电子式门锁
栓式电子锁
电子转动门锁
独立式电子锁定系统
附件
盖和塞
保护盖塞
管塞管接头护套
螺钉螺母护盖
滑轨
不锈钢滑轨
铝合金滑轨
附件
拉手
明装拉手
嵌入式拉手
附件
护边压条
压条
手轮和摇手
轮辐手轮
摇手
附件
软管和软管接头
软管
软管接头
线槽及配件
线槽
线槽配件
护线套
护线管
护线环
护线套
脚轮
万向脚轮
定向脚轮
水平调节轮
单轮
附件
位置指示器
正驱动式指示器
重力式指示器
直接驱动式指示器
指示器配套附件
液压系统附件
通气帽
油位观察镜
油塞
柱式液位指示器
配件
支撑
普通支撑
扭矩支撑
阻尼支撑
弹簧支撑
附件
扎线带和配件
扭线环
金属边缘扎带安装夹
线夹
扎线带
扎带固定座
电缆夹
工业用机械式门锁
转舌式门锁
拉动式门锁
特殊门锁
压缩式门锁
附件
转动式门锁
按压式门锁
连杆门锁
摇把门锁
碰珠和磁吸
反弹磁吸
反弹碰珠
密封磁吸
普通磁吸
普通碰珠
电控磁吸
附件
磁铁
密封条
发泡密封条
海绵密封条
显示屏支臂
倾斜、旋转和摇摆式屏幕支臂
倾斜、旋转式屏幕支臂
倾斜式屏幕支臂
电路板导轨
电路板导轨
联轴器
顶丝型联轴器
夹持型联轴器
卡箍
软管卡箍
直线传动
滚珠丝杠
直线导轨
滚珠花键
皮带传动
同步齿形带
同步带轮/惰轮
链传动
标准传动链
电缆保护链及配件
电缆保护链
电缆保护链接头
铝型材配件
螺丝螺母
装饰件
首页
分类浏览
产品资讯
技术文章
新闻中心
购物车:
0
种
0
件
购物车中没有商品,快去选购吧!
3D模型
立即下载
我同意
五联五金网隐私政策
我同意将我的个人信息共享给五联五金网的关联公司
立即下载
当前商品:“{{sku}}”暂未有3D图纸,请您填写表格,我们会尽快完成创建,并及时与您联系。
3D建模申请表
零件号:
备 注:
发送请求
首页
联轴器
顶丝型联轴器
顶丝型联轴器
夹持型联轴器
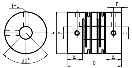
沟槽式顶丝型联轴器
制式
公制
材质
铝合金
表面处理
阳极氧化
类型名称
沟槽式
轴孔径2
4.0 5.0 6.0 6.35 8.0 10.0 11.0 12.0 14.0
外径
32.0 25.0 20.0 16.0
总长度
41.0 31.0 26.0 23.0
描述
沟槽式顶丝型联轴器,
点击可见技术信息,图纸下载及3D演示
手机扫一扫
以上设计和拍摄图片的颜色可能和实际略有差异,仅供参考
规格筛选
清除条件
容许扭矩(N.m)
0.5
1.0
2.0
4.0
B(轴孔径1)
4.0
5.0
6.0
6.35
8.0
10.0
12.0
SKU
A
(外径)
全部
16.0
20.0
25.0
32.0
B
(轴孔径1)
全部
4.0
5.0
6.0
6.35
8.0
10.0
12.0
C
(轴孔径2)
全部
4.0
5.0
6.0
6.35
8.0
10.0
11.0
12.0
14.0
D
(总长度)
全部
23.0
26.0
31.0
41.0
E
全部
6.4
7.0
8.0
11.0
F
全部
3.0
4.0
6.0
I
(紧固螺栓螺纹)
全部
M3
M4
J
(紧固螺栓扭矩N.m)
全部
0.7
1.7
容许扭矩
(N.m)
全部
0.5
1.0
2.0
4.0
价格
(未税)
包装
(套/包)
购买
3D
图纸
图纸
下载
EV278-27000073
16.0
4.0
4.0
23.0
6.4
3.0
M3
0.7
0.5
在线咨询
1
金额为空
EV278-27000074
16.0
4.0
5.0
23.0
6.4
3.0
M3
0.7
0.5
在线咨询
1
金额为空
EV278-27000075
16.0
5.0
5.0
23.0
6.4
3.0
M3
0.7
0.5
在线咨询
1
尚未登入
EV278-27000076
16.0
5.0
6.0
23.0
6.4
3.0
M3
0.7
0.5
在线咨询
1
金额为空
EV278-27000077
16.0
5.0
8.0
23.0
6.4
3.0
M3
0.7
0.5
在线咨询
1
金额为空
EV278-27000078
20.0
5.0
5.0
26.0
7.0
3.0
M3
0.7
1.0
在线咨询
1
金额为空
EV278-27000079
20.0
5.0
6.0
26.0
7.0
3.0
M3
0.7
1.0
在线咨询
1
金额为空
EV278-27000080
20.0
5.0
8.0
26.0
7.0
3.0
M3
0.7
1.0
在线咨询
1
金额为空
EV278-27000081
20.0
6.0
6.0
26.0
7.0
3.0
M3
0.7
1.0
在线咨询
1
金额为空
EV278-27000082
20.0
6.0
6.35
26.0
7.0
3.0
M3
0.7
1.0
在线咨询
1
金额为空
EV278-27000083
20.0
6.0
8.0
26.0
7.0
3.0
M3
0.7
1.0
在线咨询
1
金额为空
EV278-27000084
20.0
6.0
10.0
26.0
7.0
3.0
M3
0.7
1.0
在线咨询
1
金额为空
EV278-27000085
25.0
6.0
6.0
31.0
8.0
4.0
M4
1.7
2.0
在线咨询
1
金额为空
EV278-27000086
25.0
6.0
6.35
31.0
8.0
4.0
M4
1.7
2.0
在线咨询
1
金额为空
EV278-27000087
25.0
6.0
8.0
31.0
8.0
4.0
M4
1.7
2.0
在线咨询
1
金额为空
EV278-27000088
25.0
6.0
10.0
31.0
8.0
4.0
M4
1.7
2.0
在线咨询
1
金额为空
EV278-27000089
25.0
6.35
8.0
31.0
8.0
4.0
M4
1.7
2.0
在线咨询
1
金额为空
EV278-27000090
25.0
6.35
10.0
31.0
8.0
4.0
M4
1.7
2.0
在线咨询
1
金额为空
EV278-27000091
25.0
8.0
8.0
31.0
8.0
4.0
M4
1.7
2.0
在线咨询
1
金额为空
EV278-27000092
25.0
8.0
10.0
31.0
8.0
4.0
M4
1.7
2.0
在线咨询
1
金额为空
EV278-27000093
25.0
8.0
12.0
31.0
8.0
4.0
M4
1.7
2.0
在线咨询
1
金额为空
EV278-27000094
32.0
10.0
10.0
41.0
11.0
6.0
M4
1.7
4.0
在线咨询
1
金额为空
EV278-27000095
32.0
10.0
11.0
41.0
11.0
6.0
M4
1.7
4.0
在线咨询
1
金额为空
EV278-27000096
32.0
10.0
12.0
41.0
11.0
6.0
M4
1.7
4.0
在线咨询
1
金额为空
EV278-27000097
32.0
10.0
14.0
41.0
11.0
6.0
M4
1.7
4.0
在线咨询
1
金额为空
EV278-27000098
32.0
12.0
12.0
41.0
11.0
6.0
M4
1.7
4.0
在线咨询
1
金额为空
EV278-27000099
32.0
12.0
14.0
41.0
11.0
6.0
M4
1.7
4.0
在线咨询
1
金额为空
基本信息
技术信息
附件:紧定螺钉
相关资源
沟槽式顶丝型联轴器3D
下载
沟槽式顶丝型联轴器2D
下载
沟槽式顶丝型联轴器3D
演示