以上设计和拍摄图片的颜色可能和实际略有差异,仅供参考
锌合金碰珠
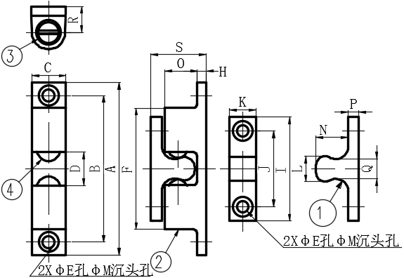
产品参数
| 制式 | 公制 |
| 本体材质 | 锌合金 |
| 表面处理 | 镀铬 |
| 推入力N | 40.2 |
| 拔出力N | 29.4 |
| 描述 | 锌合金碰珠, |
规格
| SKU | 规格 | 价格/包装 |
|---|---|---|
| EV199-12000002 | 40.2 | |
| EV199-12150001 | 43.1 | |
| EV199-12150003 | 45.1 |
- 基本信息
| 平行、垂直方向均可锁紧。 | ||||
| 另备有形状相同、不锈钢制的不锈钢碰珠。 | ||||
| 【注 意】 | ||||
| 锁扣力不能调节。请勿转动切槽部。 | ||||
| 推入力及拔出力存在差异。请以实物为准。 | ||||
