以上设计和拍摄图片的颜色可能和实际略有差异,仅供参考
安全功能转舌式门锁
产品参数
| 制式 | 公制 |
| 进入限制 | 无限制 |
| 锁头形式 | 方形锁芯 |
| 旋转方向 | 逆时针 |
| 锁材质 | 组合材料 |
| 描述 | 安全功能转舌式门锁, |
规格
- 基本信息
- 技术信息
- 附件信息
- 附件信息
| 采用操作元件操作: | |||
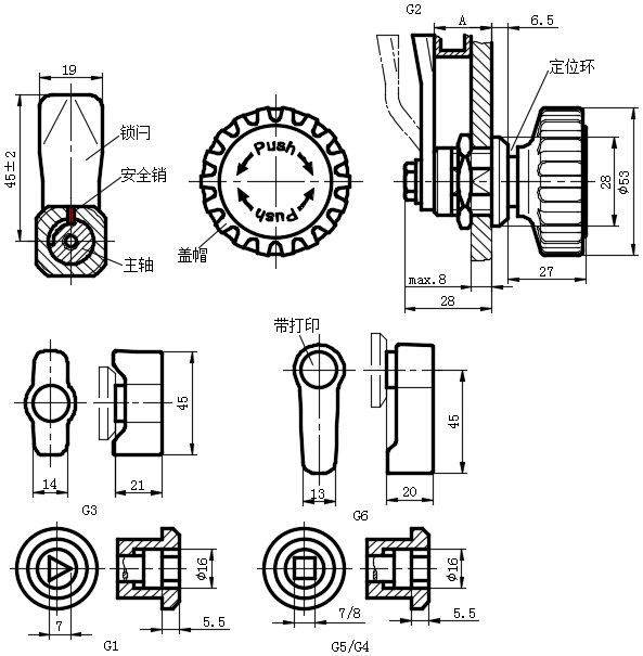
| G2 | 滚花旋钮操作(参见钢镀锌内螺纹滚花旋钮/304不锈钢内螺纹滚花旋钮) | ||
| G3 | 扳手操作 | ||
| G6 | 手柄操作 | ||
| 锁壳:压铸锌 | |||
| 定位环:喷塑涂层,黑色,RAL 9005, 纹理饰面 | |||
| 所有其他部件:镀锌钢,蓝钝处理 | |||
| 操作件:塑料(聚酰胺PA),黑色,亚光饰面 | |||
| 盖帽:塑料(聚酰胺PA),浅灰色 | |||
| 一字槽操作: | |||
| G1 | 三角形锁芯操作 | ||
| G5 | 方形锁芯 A/F7操作 | ||
| G4 | 方形锁芯 A/F8操作 | ||
| 锁壳:压铸锌 | |||
| 定位环:喷塑涂层,黑色,RAL 9005, 纹理饰面 | |||
| 所有其他部件:镀锌钢,蓝钝处理 | |||
| 信息: | |||
| 带有推-转安全功能。在两端的位置上,定子被门闩锁定到位。仅在按压操作元件时,从锁定位置释放出安全销,该装置才可转动90°。该特性可保障闩锁不受自身的移动或振动的影响。 | |||
| 闩扣的斜切边缘使门易于关闭。闩锁所带锁舌的闩距A从4 至 32 mm。 | |||
| 以散件形式,呈锁定状态供货。 | |||
| 技术信息: | |||
| 塑料特性 (参见P2) |
| 附件: | |||
| 钥匙 转舌式门锁钥匙 | |||
| 保护盖帽 | |||
| 开门手柄 |
| 施工和安装说明: | ||||
| 图示为所需安装孔的直径。 | ||||
| 安装时,从正前方将闩锁推入,穿过安装孔。六角螺母可从背面抵住闩锁,通过拧紧将其固定到位。 | ||||
| 大批量安装时,门扇上的安装孔径由开孔器或激光加工而成。 | ||||
| 小批量安装时,且钢板厚度小于2mm时,采用的金属板冲压开孔器为可选工具。 | ||||
| 安装孔径也可采用钻/铣方式加工,如轮廓图所示。 |

